1.1應用范圍
SJP-500系列微機保護裝置是我公司推出的集簡易測量、控制、通訊于一-體的- ~種經濟型保護裝置;針對配網終端配電室量身定做,以三段式電流保護為核心,配備電網參數、監視及采集功能,可省掉傳統的電流表、電壓表、功率表、頻率表等,并可通過通訊口將測量數據及保護信息遠傳上位機,真正實現配網自動化;裝置根據配網供電的特性,在裝置內集成了多種保護功能,本裝置**的優點尺寸小,不僅可安裝于普通環網柜也可方便安裝在各種充氣柜,起到二次回路保護。大大提高了裝置的使用靈活性為用戶節約了成本,本裝置尤其適用于10KV以下電壓等級的配網供電終端。
1.2保護功能及配置
SJP-500系列保護適用于線路保護,電容出線保護,廠用變保護和線路保護。針對被保護設備及保護要求的不同,SJP-500系列保護的型號和功能配置如下:




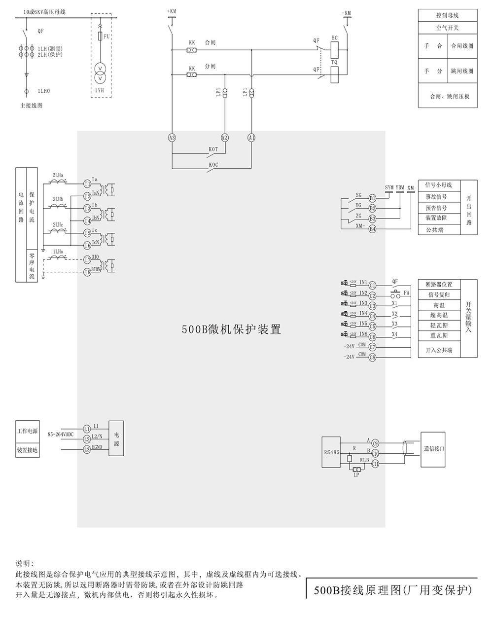
端子說明:
I1-I8端子為電流端子,其中11-I6端子為保護電流輸入端子,當保護采用兩相式保護時,I3、 14懸空。 I7、I8端子為零序電流輸入端子,帶*號為同名端,接線時請注意。
A1-A3端子為跳合閘出口端子,A1 KOC+為合閘觸點,A2 KOT+為跳閘觸點,A3為公共端KCOM。
B1-B4端子為開出回路端子,B1為預告信號開出常開點; B2為事故信號開出常開點; B3為裝置故障信號開出點,為常閉點,裝置有故障或失電時報警,正常運行開點。B4為公共端XM。
L1-L3端子為輔助電源回路端子,L1、L2為電源輸入,L3接大地.實際使用時L3端子應可靠接地,提高裝置抗干擾能力。
C1-C11端子為開入量與通訊端子,C1為INO1斷路器位置判斷點,控制微機合分位燈,開點為綠燈,閉點為紅燈; C2為信號復歸開入接點; C3為IN03在高溫保護開放時用作高溫輸入信號; C4為IN04在超高溫 保護開放時用作超高溫開入接點; C5為INO5輕瓦斯開入接點; C6為IN06重瓦斯開入接點; C7,C8為開入公共端; C9端子為485通訊回路A端口; C10端子為485通訊回路B端口,C11為485網匹配電阻。實際接入時請使用屏蔽雙絞線,提高通訊端口的抗干擾能力。

10月11日,長源電力發布公告,10月9日,公司收到招標代理機構國家能源集團國際工程咨詢有限公司發出的《中標通知書》,確定龍源環保為公司全資子公司國能長源荊州熱電有限公···
2025年10月8日,內蒙古自治區迎來我國能源探索史上的一個里程碑時刻——全國首口天然氫氣科學探井“金氫科探1井”正式開鉆。這是我國**面向天然氫氣資源實施的科學鉆探,···
10月15日,重慶市發展改革委關于印發《重慶市深化新能源上網電價市場化改革實施方案》的通知,通知指出,存量項目電量規模、機制電價和執行期限。1.存量項目范圍。2025年6···
近日,海南電網有限責任公司2025年第二批數字化框架公開招標項目招標公告。詳情如下:海南電網有限責任公司2025年第二批數字化框架公開招標項目招標公告(項目編號:CG0700···
熱風扇是一種常見的小型電器,廣泛用于冷暖季節的溫度調節。它通過產生熱風來提供溫暖,使室內環境更加舒適。以下是熱風扇的使用細節和維護方法,幫助您更好地使用和保養這···
空調不制冷是常見的故障之一,可能由多種原因引起。在遇到這種情況時,可以采取一系列的調試和維修步驟,以盡快解決問題。以下是一些常見的調試和維修方法,幫助您定位并修···
冰箱壓縮機是冷藏系統的核心部件,負責壓縮和泵送制冷劑以維持冰箱內的低溫環境。調試和維修冰箱壓縮機需要一定的專業知識,以下是一些常見的調試和維修方法,以確保冰箱的···
汽車繼電器是車輛電氣系統中的重要組成部分,其主要作用是在電路中進行電氣控制。這些繼電器在汽車中扮演著關鍵的角色,用于多種不同的方面,以確保車輛的正常運行、提高安···